交叉滾子轉盤軸承(HXSU08系列)
- 精密轉盤軸承依照滾動體結構,分為交叉滾子轉盤軸承與四點接觸球轉盤軸承兩個系列,依照齒輪形式,可分為不帶齒圈、帶內齒、帶外齒三個類型,可以安裝密封、配注油油杯、小范圍調整游隙力矩大小、精度能達到P5/P4/P2等級,以適應各種類型的工況需求。我司支持外徑20mm到外…
bearing@hyzcgroup.com
18837917076
- 產品詳情
精密轉盤軸承依照滾動體結構,分為交叉滾子轉盤軸承與四點接觸球轉盤軸承兩個系列,依照齒輪形式,可分為不帶齒圈、帶內齒、帶外齒三個類型,可以安裝密封、配注油油杯、小范圍調整游隙力矩大小、精度能達到P5/P4/P2等級,以適應各種類型的工況需求。
我司支持外徑20mm到外徑2000mm范圍內,各種類型高精度軸承非標定制化設計加工,常年與多家高等院校、機械機床公司、機械研究所、科研機構合作,進行重大設備的聯合開發,協助客戶試樣與批量生產。
轉盤軸承可以同時承受較大徑向負荷、軸向負荷和傾覆力矩等綜合載荷,集支承、旋轉、傳動、固定等多種功能與一體,且結構緊湊、安裝簡便、維護方便,通常用于重載低速的場合,例如起重機械、挖掘機、回轉臺、風力發電機、天文望遠鏡和坦克炮塔等裝置,應用十分廣泛。
交叉滾子轉盤軸承(HXSU08系列)

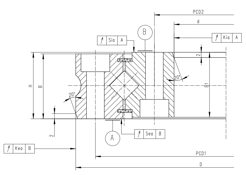
| 型號 | 基本尺寸 | 基本額定負荷 | 安裝尺寸 | 旋轉精度 | 游隙(預載) | |||||||||||||
| 軸向 | 徑向 | 外圈 | 內圈 | P4 | ||||||||||||||
| 外徑D | 內徑d | 外圈高度B | 內圈高度B1 | 裝配高H | 動態Ca/KN | 靜態Coa/KN | 動態Cr/KN | 靜態Cor/KN | 孔中心距PCD1 | 安裝孔 | 孔中心距PCD2 | 安裝孔 | Kea | Kia | Sea | Sia | ||
| XSU080168 | 205 | 130 | 24.8 | 24.8 | 25.4 | 66 | 240 | 42 | 96 | 190 | 12-φ6.8沉孔φ11深6.8 | 145 | 12-φ16.8沉孔φ11深6.8 | 0.01 | 0.01 | 0.01 | 0.01 | 0~0.02 |
| XSU080188 | 225 | 150 | 24.8 | 24.8 | 25.4 | 71 | 275 | 46 | 110 | 210 | 16-φ6.8沉孔φ11深6.8 | 165 | 16-φ16.8沉孔φ11深6.8 | 0.01 | 0.01 | 0.01 | 0.01 | 0~0.02 |
| XSU080218 | 255 | 180 | 24.8 | 24.8 | 25.4 | 77 | 315 | 49 | 127 | 240 | 20-φ6.8沉孔φ11深6.8 | 195 | 20-φ16.8沉孔φ11深6.8 | 0.01 | 0.01 | 0.01 | 0.01 | 0~0.02 |
| XSU080258 | 295 | 220 | 24.8 | 24.8 | 25.4 | 84 | 375 | 54 | 151 | 280 | 24-φ6.8沉孔φ11深6.8 | 235 | 24-φ16.8沉孔φ11深6.8 | 0.01 | 0.01 | 0.01 | 0.01 | 0~0.02 |
| XSU080318 | 355 | 280 | 24.8 | 24.8 | 25.4 | 93 | 465 | 59 | 185 | 340 | 28-φ6.8沉孔φ11深6.8 | 295 | 28-φ16.8沉孔φ11深6.8 | 0.01 | 0.01 | 0.01 | 0.01 | 0~0.02 |
| XSU080398 | 435 | 360 | 24.8 | 24.8 | 25.4 | 106 | 590 | 68 | 236 | 420 | 36-φ6.8沉孔φ11深6.8 | 375 | 36-φ16.8沉孔φ11深6.8 | 0.01 | 0.01 | 0.01 | 0.01 | 0~0.02 |
- 在線詢價





